Üç 8
570.000 Kcal/h Δt 5°C
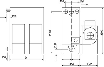
Technical Specifications
Our ÜÇ-B type hot air appliances manufactured by our company in different types shown in TABLE 2 up to a heating capacity of 60,000 Kcal/h for 90/70 C hot water as standard, are designed to provide high calorific values despite occupying small volumes. they have been The device fans stop and work with the warning of an electric room thermostat to be mounted at a central point of the hall, and the room temperature is kept constant. If necessary, a thermostat can be controlled by several appliance motors. Larger capacity devices are non-standard and are manufactured on special order.
Body
It is manufactured from DKP steel sheet. It has a special construction to increase strength. Hammerton painted. It is long lasting.
Centrifugal Fan Motor Assembly
Static and dynamically balanced centrifugal fans are directly coupled to the electric motor with high starting torque, and there are variants running at 1400 rpm (special) for each type. The radial fan suction funnel has a wire mesh suction mouth that attaches to the apparatus from the outside and protects the fan. It works without vibration and noise.
Heating Battery
The vertically winding of the steel strips on the steel pipe at a special bench was produced by staggering by electro galvanizing after winding, to realize a low by-pass factor between the two collectors, and was subjected to 15 atu experience pressure. It is demountable. The fact that the pipe connections are at the top reduces the fitting cost. High strength and long life.
Air Adjustment Louver
The joint movements of the air with a special device to ensure the distribution of the air in the desired direction consist of the wings and their frames. It is made of DKP sheet metal and fixed to the body. It is possible to keep the blinds in the desired setting with the chain mechanism mounted on the movement arm.
Heating Fluid Connections
It is manufactured from screwed pipe as standard. It is manufactured from screwed pipe for hot water and boiling water systems, steam inlet is flanged for steam systems and condensate is manufactured from screwed pipe. Flanged connection can be made for boiling water systems upon request.
Indoor/Outdoor Air Mixing Cell
In case of using outside air, ventilation can be achieved by adjusting the mixing air at the desired rate, thanks to the adjustment device, indoor-outdoor air flap, suction cage wire and kücehhez mixing cell.




