Uc - 13
2.1 min m3 4.5 max m3
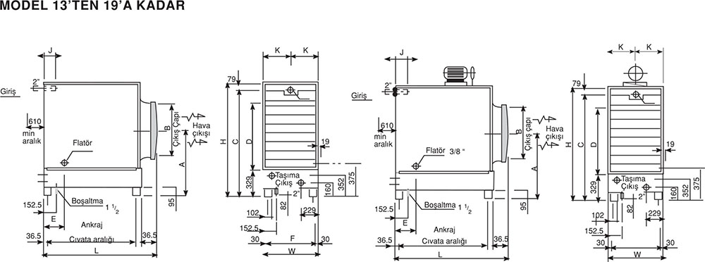
Technical Specifications
Package type water cooling towers are composed of the following elements.
Hot Water Distribution Systems
Minimum pumping pressure and long operating life are provided with the natural flow, covered, overflow system water distribution system with hot galvanized or epoxy painted steel construction. Natural flow water distribution is made with specially designed polypropylene fountains.
Air Intake Louvers
Air inlet louvers made of hot galvanized or epoxy painted sheet metal: they are designed to regulate the air flow uniformly and the icing problem is minimized.
Herringbone Separator
Since the separators made of plastic polystyrene direct the air well, low power is drawn from the fan. It is easy to control and maintain. Since the separator is mounted as a double pass, they hold the water in the air very well. The drift loss is below 02%. Separators can be specially made of PVC. High performance filler, made of plastic filler polystyrene plastic, has been specially designed and manufactured to keep the water-air contact at the maximum level. It can also be made of PVC upon special request.
Tower Body
The design and construction ensure maximum strength and ease of transport. The tower body consists of the pools and the upper body. It is made of rustproof epoxy painted as standard and hot galvanized steel on special request.
Fan
Specially designed for towers; It is made of silent, statically and dynamically fully balanced, corrosion-resistant material. Up to three 125 types (except three nineteen types) are directly coupled, other types are driven by belt-pulley assembly.
Fan Protector
The pitched fan guard is manufactured in a detachable type with aerodynamic structure made of round profiled iron to prevent the entry of foreign materials.
Fan Cylinder
It is designed to ensure that the air enters the fan easily, thus ensuring the efficient operation of the tower.
Water Filter
It is mounted on the pool suction to ensure that the water that will go to the pumps is cleaned of foreign materials.
Entry and Exit Branch
Hot water inlet is mounted on the upper pool, cold water outlet is mounted on the lower pool.
Luminaires
It consists of a feed floater, which can meet evaporation and drift losses, and transport and discharge connections.




